当前位置 : 首页 - 产品中心 - 产品目录
产品简介
技术参数

1.适合温度范围:-40~70C

2.额定负荷:

DC 250V 10A

3.接触电阻: ≤50mQ 

4.绝缘电阻: ≥100MQ 

5.耐压: ≥AC1500V(50Hz)/min 

6.拔插力: ≥3-20N

7.寿命: ≥50000次


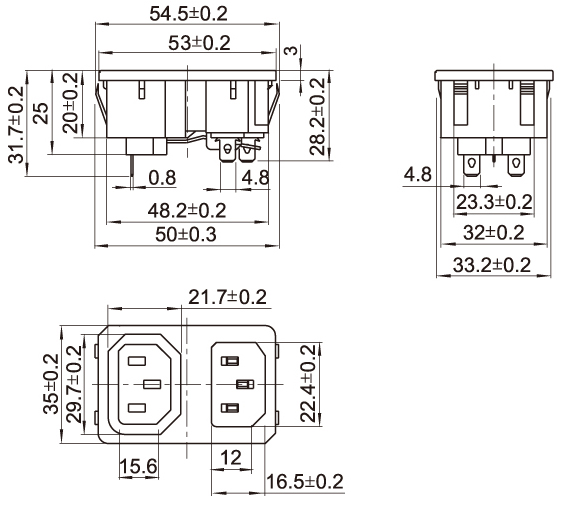
外形及安装尺寸

28-2-.jpg

联系电话

18906643778

地址:浙江省乐清市城东产业功能区永兴二路20号

传真:86-0577-62310729

网址:www.cnwxdz.com

COPYRIGHT © 2017 乐清市唯信电子有限公司 ALL RIGHTS RESERVED 版权所有